12+ 3 Bit Asynchronous Up Down Counter Truth Table US
12+ 3 Bit Asynchronous Up Down Counter Truth Table US. Tutorial explains about asynchronous counter, types(asynchronous up counter, asynchronous down counter, up/down counter ) and its applications. Overall propagation delay time is the sum of individual delays.

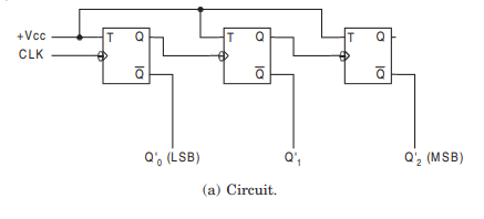
Truth table of ripple binary up down counter.
I'm doing a college's task that asks for implementing in vhdl an up/down asynchronous counter. Up counting and down counting. The output of the flip flops is a binary number equivalent to the number of clock pulses received. Synchronous counters and asynchronous counters.
Posting Komentar untuk "12+ 3 Bit Asynchronous Up Down Counter Truth Table US"